Benzi magnetice
Buzunare magnetice
Etichete magnetice
Folii magnetice
Hârtii magnetice
Lentile magnetice
Magnet fishing
Magneți
Sfaturi pentru cadouri
Suporturi magnetice
Table magnetice
Accesorii pentru meseriași
Agrafă magnetică pentru draperii
Elemente magnetice de fixare
Magnet telescopic
Plasa pentru insecte
Suport magnetic pentru mașină
Suporturi magnetice pahar
Suporturi magnetice unelte
Suporţi magnetici pentru prosoape de bucătărie
Tava cu cablu magnetic
Bare magnetice
Captatoare magnetice de praf
Dispozitive de fixare magnetice
Magneți pentru sortarea deșeurilor
Mături magnetice
Rogojină magnetică de curăţare
Separatoare magnetice
Unelte magnetice ajutătoare
Aparate de măsură
Dedurizatoare magnetice
Ecusoane magnetice
Joc de construcție magnetic
Magnet de cabinet
Magneţi care pot fi cusuţi
Magneți mobilier
Magneți sub gresie
Profile magnetice
Smiley-uri magnetite
Săgeți magnetice
Din atelierul nostru
Elemente tubulatură JACOB
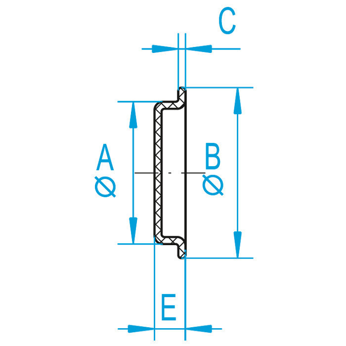
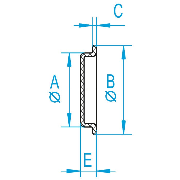
Diametrul exterior B (mm): 221
Înălțime E (mm): 26
Material: silicon
Diametrul A (mm): 201
Grosime C (mm): 6
Greutate (g): 600
Marcaj: 1020720101
Grosime C (in): 0.236
Greutate (lbs): 1.32
Ultimele produse vizualizate
Compara produse
Trebuie sa mai adaugi cel putin un produs pentru a compara produse.
A fost adaugat la favorite!
A fost sters din favorite!